L款双门网络控制器(32位蓝板)
设计理念
*采用最新ARM架构电路设计;
*大容量非易失性存储电路设计;
*防死机软件狗电路和自检电路设计;
*防死机软件狗电路和自检电路设计;
*大负载继电器输出电路设计;
*防错接电路设计;
*密切采用完全兼容微软最新开发平台的技术;
*多语言格式适合更多客户群;
*平易近人,通俗易懂,快捷便利的操作界面;
* “批量设置”使得客户在使用的过程中,效率更高;
* “一览无余”的界面模式和报表格式;
*不常用功能的隐藏式设计;
* “所见所得”的自定义报表 查询 输出 打印模式;
* “知错必报”的人性化交互式软件界面 “详细的操作日志”便于查找故障落实责任。
基本功能
*灵活的权限管理、脱机运行功能;
*实时监控信息及照片显示;
*少量权限修改即时上传;
*紧急双闭 紧急手动关门;
*界面锁定功能;
*门内人数快速查询;
*软件自动登录进入;
*实时提取、门作为开关使用。
门禁扩展功能
*255个个性化时段管理;
*时段链接;
*强制常开及常闭、远程开门;
*定时常开门 定时常闭门;
*刷卡 、密码 、卡加密码、超级通行密码开门;
*首卡开门、多卡开门;
*互锁、返潜回防尾随;
*记录按钮事件 记录门开关事件;
*操作员分权限 分部门 分区域管理;
*内外校验开门功能;
*电子地图功能;
*操作员操作日志。
外接扩展板后才有功能
*消防报警联动开门;
*门联动继电器输出;
*刷卡设防撤防防盗报警;
*门长时间未关闭报警;
*非法闯入报警、非法卡刷卡报警;
*胁迫报警。
考勤功能
*弹性上下班时间设置;
*可以设置法定或者自定假期,国庆长假的处理功能;
*定义惩罚措施;
*可以指定某些门做考勤;
*可以设置每天的打卡次数;
*可以灵活地设置周六的考勤设置;
*可以输入请假单,灵活增加和自定义假期名称;
*可以合法地进行手工签到;
*详细的考勤报表;
*详细的汇总考勤报表;
*报表格式可以自定义;
*可以设置某些人员进行考勤,某些人员无需考勤;
*多班次倒班考勤。
1、用户容量 | 4万个卡用户权限 |
2、记录脱机存储容量 | 10万条存储记录 |
3、数据掉电保护 | 高速闪存设计,永不丢失 |
4、使用环境温度 | -40 至 70摄氏度 (建议 -35 至 65 摄氏度) |
5、使用环境湿度 | 10-90%RH,无冷凝 |
6、通讯方式 | TCP/IP网络通讯 100M默认通讯 |
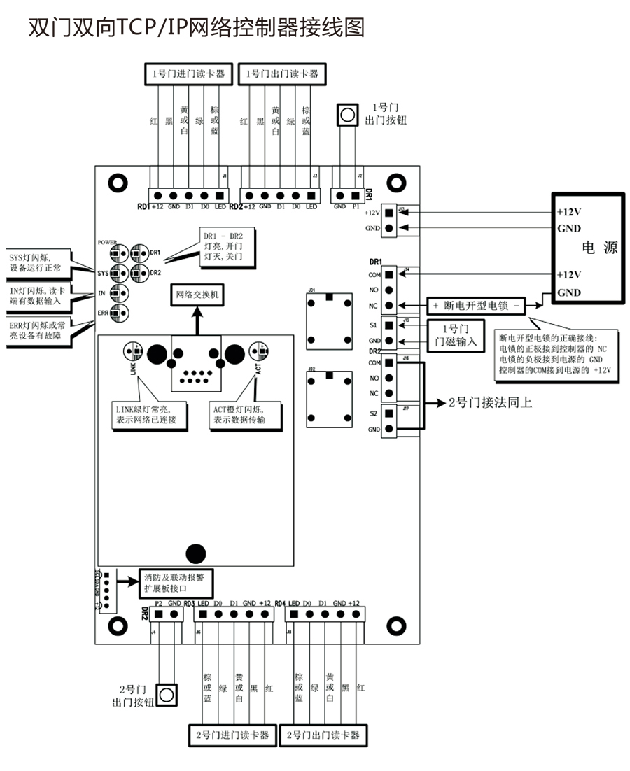
7、门控制输出 | 单门控制器、一路继电器输出(10A) 双门控制器、二路继电器输出(10A) 四门控制器、四路继电器输出(10A) |
8、进出方式 | 进门刷卡和出门按钮,或者进出门都刷卡 |
9、读卡器协议 | wg26~40 bit协议读卡器 (兼容该协议下的一切读卡器,例如 Motorola 、HID、EM、Mifare one等. ) |
10、外接读卡器数量 | 单门(1对)读卡器、双门(2对)读卡器、 四门(4个)读卡器 |
11、读卡器到控制器的最大联机距离 | 100M(建议80米以内) |
12、门磁输入 | 单门1路(干节点输入)、双门2路(干节点输入)、四门4路(干节点输入) |
13、出门按钮输入 | 单门1路(干节点输入) 双门2路(干节点输入) 四门4路(干节点输入) |
14、继电器控制门输出延时 | 1~600秒可调 |
15、控制器到电脑最大联机距离 | 视网络覆盖范围决定(理论上无距离限制) |
16、最大联网台数 | 不限 |
17、内嵌Web服务器 | 可浏览器访问(B/S) 、 支持二次开发,DLL/报文/手机 |
18、配套机箱尺寸 | 27.3 * 22.8 * 6.5(厘米) |
19、配套电源 | 12VDC 4-7A |
20、控制器电路板功耗 | 100mA(不带负载) |
21、控制器尺寸 | 160mm 长 *110mm 宽 |




